



SOE4-FO-L-HF2-1N-K – Fiber-Optik Sensör Ünitesi
- Açıklama
- Değerlendirmeler (0)
Açıklama
Tasarım : Blok yapı türü
Karşılık geldiği norm : EN 60947-5-2
Sembol : 00991648
Ruhsat : RCM işareti c UL us – Listelenmiş (OL)
CE işareti (bkz. Uygunluk Beyanı) : AB EMC direktifine göre AB RoHS direktifine göre
UKCA işareti (bkz. Uygunluk Beyanı) : EMC için Birleşik Krallık düzenlemelerine göre Birleşik Krallık RoHS düzenlemelerine göre
Ölçme büyüklüğü : Pozisyon
Ölçüm prensibi : optoelektronik
Ölçüm metodu : Fiber optik cihaz
Işık türü : kırmızı
Karşılıklı etkileşim : Korumalı direkt olarak yan yana monte edilmiş en fazla dört cihaz
Ortam sıcaklığı : -20 °C … 60 °C
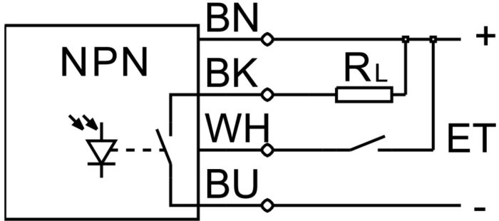
Anahtarlama çıkışı : NPN
Anahtarlama elemanı işlevi : değiştirilebilir
Maks. anahtarlama frekansı : 1500 hz
Maks. çıkış akımı : 100 mA
Gerilim düşüşü : ≤2.4 V
Zamanlayıcı işlevi : 1 – 2000 ms
Kısa devre dayanımı : saat ayarı
Çalışma gerilimi aralığı DC : 10 V … 30 V
Artakalan dalgalanma : % 10
Boşta çalışma akımı : ≤25 mA
Ters polarite koruması : tüm elektrikli çalışma gerilimi bağlantıları için
Elektrik bağlantısı : 4 damarlı Kablo
Kablo uzunluğu : 2 m
Kablo kılıfı malzemesi : TPE-U(PUR)
Montaj türü : geçiş deliği ile şapka raylı
Montaj konumu : herhangi bir
Ürün ağırlığı : 58 Gram
Gövde malzemesi : ABS
Gösterge : LED
Anahtarlama durumu göstergesi : Sarı LED
Fonksiyon yedek göstergesi : Yeşil LED
Ayar seçenekleri : Öğretmek Elektrik bağlantısı üzerinden öğretme
Esnek kablo döşemede ortam sıcaklığı : -5 °C … 60 °C
Koruma türü : IP64
İzolasyon gerilimi : 50 V
Korozyon direnci sınıfı KBK : 4 – oldukça yoğun korozyona maruziyet
LABS uygunluğu : VDMA24364-B2-L
Değerlendirmeler
Henüz değerlendirme yapılmadı.