



MS9-SV-G-C-V24-S-VS – Basınçlandırma ve hava Tahliye Valfi|Basınç oluşumu ve havalandırma valfi
- Açıklama
- Değerlendirmeler (0)
Açıklama
Seri : MS
Boyut : 9
Izgara ölçüsü : 90 mm
Güvenlik fonksiyonu : Hava tahliyesi
Performans seviyesi (PL) : Hava tahliyesi / Kategori 1’e kadar, Performans Seviyesi c
Tasarım : Piston sürgüsü
Çalıştırma türü : elektrikli
Sızdırmazlık prensibi : yumuşak
Hava tahliye fonksiyonu : kısılamaz
Manuel kumanda : yok
Geri alma türü : mekanik yay
Kontrol türü : pilot kumandalı
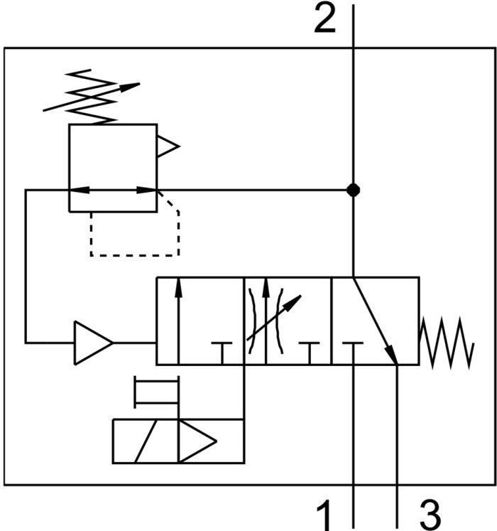
Sembol : 00995240
Valf fonksiyonu : 3/2 kapalı tek bobinli Basınçlandırma işlevi
Çalışma basıncı : 0.35 MPa … 1.6 MPa
Çalışma basıncı : 3.5 Bar … 16 Bar
Standart anma debisi : 8300 l/min … 16550 l/min
Normal akış hızı hava tahliyesi 0,6-> 0 MPa (6-> 0 bar, 87-> 0 psi) : 19730 l/min … 21720 l/min
Devreye girme süresi : 100%
Bobin karakteristik değerleri : 24 V DC: 8,4 W
Nominal çalışma gerilimi DC : 24 V
İzin verilen gerilim dalgalanmaları : +/- 10%
İşletim ortamı : ISO 8573-1:2010 [7:4:4] uyarınca basınçlı hava
İşletim / kontrol ortamı hakkında not : Yağlı işletim mümkün (diğer işletimde gerekli)
Korozyon direnci sınıfı KBK : 2 – orta derece korozyona maruziyet
Malzeme hakkında not : RoHS uyumlu
LABS uygunluğu : VDMA24364-B1/B2-L
Ses basınç seviyesi : 93 000007
Koruma türü : IP65
Akışkan sıcaklığı : 0 °C … 60 °C
Ortam sıcaklığı : 0 °C … 60 °C
Depolama sıcaklığı : 0 °C … 60 °C
Şok direnci : FN 942017-5 ve EN 60068-2-27’ye göre şiddet seviyesi 1 ile şok testi
Osilasyon direnci : FN 942017-4 ve EN 60068-2-6’ya göre şiddet seviyesi 1 olan nakliye uygulama testi
CE işareti (bkz. Uygunluk Beyanı) : AB EMC direktifine göre AB makine direktifine göre AB RoHS direktifine göre
UKCA işareti (bkz. Uygunluk Beyanı) : EMC için Birleşik Krallık düzenlemelerine göre Birleşik Krallık makine düzenlemelerine göre Birleşik Krallık RoHS düzenlemelerine göre
Montaj türü : isteğe bağlı olarak: Hat kurulumu aksesuarlarla
Montaj konumu : herhangi bir
Ürün ağırlığı : 3200 Gram
Manometre bağlantısı : G1/8 G1/4
Pnömatik bağlantı 3 : G1 1 NPT
Elektrik bağlantısı : A formu Soket EN 175301-803 uyarınca kare tasarım
Gövde malzemesi : Alüminyum pres döküm
Sızdırmazlık elemanları malzemesi : NBR
Piston sürgüsü malzemesi : Pirinç
Kapak malzemesi : Dövme alüminyum alaşım
Alt kapak malzemesi : PA
Değerlendirmeler
Henüz değerlendirme yapılmadı.