



LRB-1/2-D-O-K5-MIDI – Basınç düzenleyici valf manifoldu
- Açıklama
- Değerlendirmeler (0)
Açıklama
Boyut : Midi
Seri : D
Çalıştırma emniyeti : Kilitli döner düğme
Montaj konumu : herhangi bir
Tasarım : doğrudan kumandalı diyaframlı regülatör sürekli basınç beslemesi ile
Regülatör işlevi : Sabit çıkış basıncı ön basınç kompanzasyonu ile ikincil hava tahliyesi ile
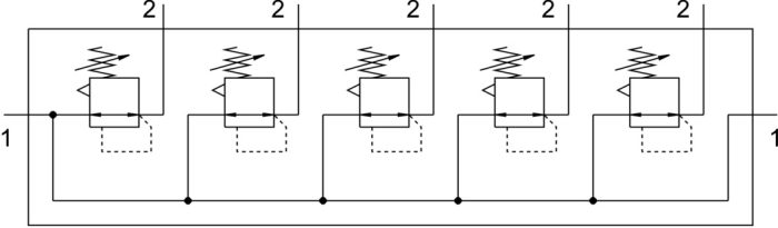
Sembol : 00995334
Basınç göstergesi : G1/4 hazırlandı
Çalışma basıncı : 1 Bar … 16 Bar
Basınç kontrol aralığı : 0.5 Bar … 12 Bar
Maks. basınç histerezi : 0.2 Bar
Standart anma debisi : 3200 l/min
İşletim ortamı : ISO 8573-1:2010 [7:4:4] uyarınca basınçlı hava
LABS uygunluğu : VDMA24364-B1/B2-L
Çıkışta hava saflığı sınıfı : ISO 8573-1:2010 [7:4:4] uyarınca basınçlı hava
Akışkan sıcaklığı : -10 °C … 60 °C
Ortam sıcaklığı : -10 °C … 60 °C
Ürün ağırlığı : 4828 Gram
Montaj türü : aksesuarlarla
Pnömatik bağlantı 1 : G1/2
Pnömatik bağlantı 2 : G3/8
Bağlantı plakası malzemesi : Çinko pres döküm
Kontrol paneli malzemesi : PA
Sızdırmazlık elemanları malzemesi : NBR
Gövde malzemesi : Çinko pres döküm
Değerlendirmeler
Henüz değerlendirme yapılmadı.